Homepage > Úplný sortiment > Produkty > Požární a kouřové klapky > Požární klapky > BTT požární klapky do kruhového potrubí > BTT25 požární klapky
BTT25 250 požární klapka do kruhového potrubíPožární klapky
Katalogový list | ![]() | Návod k použití | ![]() | 2D/3D CAD | 3.437 Kč |
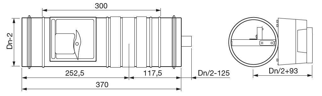
![]() | Popis Kruhové požární klapky BTT25 slouží jako uzávěr vzduchotechnického potrubí v případě požáru. Po uzavření klapky je zamezeno šíření požáru a kouře potrubím z jednoho požárního úseku do druhého. Aktivace klapky v případě požáru je zajištěna standardně tepelnou pojistkou 72 °C (na vyžádání 95 °C). Uzavření klapky po aktivaci tepelné pojistky zajišťuje mechanismus opatřený uzavírací pružinou. Plášť klapky, na kterém je řada perforací zabraňujících přestupu tepla, je zhotoven z pozinkovaného ocelového plechu. Klapka je vybavena jednořadým břitovým těsněním. List klapky je zhotoven z desek křemičitanu vápenatého. List se otáčí na ocelových čepech usazených v bronzových pouzdrech. Klapka je osazena dvěma koncovými spínači. Klapka je konstruována s důrazem na minimální tlakovou ztrátu. Označení CE dle certifikace EN 15650, klasifikace podle EN 13 501-3 je EI 90/120 S. Zkoušeno podle normy ČSN EN 1366-2 při 500 Pa. | |
![]() | Použití Klapky jsou vhodné pro instalaci do všech běžných stavebních konstrukcí, jako jsou tuhé stěnové konstrukce, lehké příčky nebo tuhé stropní konstrukce. Klapku lze instalovat v požárně dělicí konstrukci s osou listu vertikálně i horizontálně. Požární klapky lze použít pouze pro vzdušinu bez mechanických a chemických příměsí. Maximální rychlost proudění 10 m/s. | |
![]() | Montáž Požární klapky jsou určeny pro kruhová vzduchotechnická potrubí od DN100 do DN315. Osa klapky musí být uvnitř požárně dělicí konstrukce. | |
![]() | Upozornění Požární klapky jsou vyhrazená požárně bezpečnostní zařízení (viz. vyhláška MV o požární prevenci), proto je nezbytné dodržovat předepsaná pravidla (školení montážních pracovníků, provádění pravidelných kontrol provozuschopnosti atp.). Vyžádejte si informace! | |
![]() | Video | |
Doplňující vyobrazení
typový klíč pro objednání | požární odolnost podle ČSN EN 13 501-3 | uzavírací mechanismus |
Úplný sortiment 
- Produkty
- Ventilátory
- Malé axiální ventilátory
- Ventilátory DECOR
- Ventilátory EDM
- Ventilátory FUTURE
- Ventilátory HCM
- Ventilátory HEF
- Ventilátory HV
- Ventilátory SILENT
- Ventilátory SILENTUB
- Ventilátory TDM
- Ventilátory TRB/TREB
- Ventilátory SILENT DUAL
- Ventilátory DECOR DESIGN
- Ventilátory SILENT Ecowatt
- Ventilátory SILENT DESIGN Ecowatt
- Ventilátory SILENT DESIGN
- Malé radiální ventilátory
- Ventilátory do kruhového potrubí
- Ventilátory CHVB/CHVT
- Ventilátory CVB Slimbox
- Ventilátory CVB/CVT Centribox
- Ventilátory RK
- Ventilátory RMQ N
- Ventilátory SWF
- Produktová řada CVAB-N/CVAT-N
- Diagonální ventilátory JETLINE
- Úsporné ventilátory KABB / KABT Ecowatt
- Ventilátory KABB / KABT
- Úsporné diagonální ventilátory JETLINE Ecowatt
- Úsporné ventilátory RM Ecowatt
- Produktová řada CAB
- Produktová řada TD MIXVENT
- Ventilátory RM N
- Ventilátory do čtyřhranného potrubí
- Axiální ventilátory
- Střešní ventilátory
- Ventilátory MIXVENT TH
- Ventilátory CTH, CTV
- Ventilátory CRHB/T N, CRVB/T N
- Ventilátory HGTT-V
- Ventilátory HCTB/HCTT
- Rotační ventilační hlavice TU
- Inteligentní DCV systém CRHB/CRVB N Ecowatt Plus
- Ventilátory CRHB/CRVB N Ecowatt
- Úsporné ventilátory CTB Ecowatt
- Střešní ventilátory CTB pro panelové domy
- Inteligentní DCV systém CTB Ecowatt Plus
- Úsporné ventilátory TH Ecowatt
- Radiální střešní ventilátory TPSB
- Úsporné střešní ventilátory TPSB Ecowatt
- Požární ventilátory
- Ventilátory SILENT ECO požární
- Ventilátory CHAT-N
- Ventilátory THGT
- Požární proudové ventilátory TJHT/TJHU
- Ventilátory CVHT
- Ventilátory R-THGT s el. ovládanou klapkou
- Ventilátory TNH, TNV
- Ventilátory HGHT-V
- Ventilátory IFHT
- Zvukově izolované požární radiální ventilátory CHMTC
- Ventilátory CVHN
- Ventilátory CTVT-HP
- Nevýbušné ventilátory
- Kyselinovzdorné ventilátory
- Ventilátory BA INOX
- Ventilátory PCM
- Ventilátory P
- Ventilátory PR
- Plastová potrubí a tvarovky ke kyselinovzdorným ventilátorům
- Pružné vložky PV PP
- Spojky vnitřní NI PP
- Zpětné klapky KZ PP
- Odbočky jednostranné OBJ PP
- Odbočky oboustranné OBS PP
- Škrtící klapky KKR PP, KKS PP
- Tlumiče hluku THK PP
- Výfukové nástavce VN PP
- Krycí mřížky MK PP
- Výfukové hlavice HV PP
- Protidešťové stříšky SK PP
- Koncové kryty DV PP
- Volné příruby VP PP
- Přechody PRO PP
- Pružné vložky - nástavce pro uchycení NAPV PP
- Trubky TR PP
- Oblouky OL PP
- Ventilátory TMPB/TMPT
- Ventilátory CMPB/CMPT
- Ventilátory PC
- Ventilátory TCV
- Speciální ventilátory
- Stropní ventilátory HTB (destratifikátory)
- Mobilní axiální ventilátory TURBO
- Mobilní axiální ventilátory PBB, PBT
- Speciální axiální ventilátory TET
- Speciální axiální ventilátory TTT-N
- Speciální axiální hlukově izolované ventilátory CGT
- Speciální ventilátory k zazdění HIB P / HIT P
- Proudové ventilátory pro větrání podzemních parkovišť IFAB/IFEB
- Spalinové ventilátory TCMB
- Průmyslové ventilátory
- Ventilátory s EC motory
- KABB / KABT Ecowatt úsporné ventilátory
- CVAB-N/CVAT-N Ekonovent úsporné ventilátory do kruhového potrubí
- IRB Ecowatt úsporné radiální ventilátory
- EDAV Ekonovent úsporné axiální ventilátory
- ECOAIR Ecowatt úsporné radiální ventilátory
- CVAB-N Ecowatt úsporné ventilátory do kruhového potrubí
- CTB Ecowatt úsporné ventilátory
- CRHB/CRVB N Ecowatt úsporné ventilátory
- TD Ecowatt úsporné ventilátory
- RM Ecowatt úsporné ventilátory
- TD SILENT Ecowatt tiché úsporné ventilátory
- CAB Ecowatt úsporné ventilátory
- OZEO Ecowatt úsporné radiální ventilátory
- HXBR/TXBR Ecowatt úsporné axiální ventilátory
- TD SILENT Ecowatt CAV ventilátor pro režim konstantního průtoku
- CRHB/CRVB N Ecowatt Plus inteligentní DCV systém
- CTB Ecowatt Plus inteligentní DCV systém
- TH Ecowatt úsporné ventilátory
- CAB Ecowatt Plus úsporné programovatelné ventilátory
- JETLINE Ecowatt úsporné diagonální ventilátory
- TPSB Ecowatt úsporné střešní ventilátory
- TD-EVO Ecowatt úsporné ventilátory
- Malé axiální ventilátory
- Přívodní jednotky
- Rekuperační jednotky a rekuperátory
- Bytové / Domovní rekuperační jednotky
- AR Flex systém
- SABIK rekuperační jednotky
- EHR 300 Akor rekuperační jednotka
- ORKA rekuperační jednotky
- EHR 280/325 Akor rekuperační jednotky
- IDEO 450/575 Ecowatt rekuperační jednotky
- EHR 150 N Ekonovent® rekuperační jednotky
- EHR 300/480 N Ekonovent® rekuperační jednotky
- Náhradní filtry
- IDEO 325 Ecowatt rekuperační jednotky
- DOMEO rekuperační jednotky
- ROVENTO větrací jednotky s regenerací tepla
- PLUGGIT rezidenční větrání
- Flexeo rekuperační jednotky
- NEMBUS rekuperační jednotky
- Zemní výměníky
- Rekuperační výměníky
- Komerční / Průmyslové rekuperační jednotky
- Lokální rekuperační jednotky
- Bytové / Domovní rekuperační jednotky
- Dveřní clony
- Speciální zařízení
- Osoušeče rukou a vysoušeče vlasů
- Ventilátory stolní METEOR
- Elektrická topidla EC-N/EP-N
- Cirkulační jednotky pro teplovzdušné vytápění
- Odvlhčovače DHUM
- Designové axiální ventilátory ARTIC
- Axiální ventilátor s elektrickým ohřevem FIRE FAN
- Antibakteriální sanitační moduly IONIC
- Zvlhčovač vzduchu HUMI-ED
- Čističky vzduchu AIRPUR
- Digestoře
- Příslušenství – potrubní elementy
- Elektrické ventily odvodní
- Eliminátory kapek
- Filtrační kazety a vložky
- Hrdla
- Oblouky k rekuperátorům
- Prodlužovací kusy
- Klapky
- Sací dýzy
- Směšovací komory
- Směšovací / rozdělovací uzly
- Spojky MBR
- Spojovací manžety
- Stříšky
- Těsnění
- Tlumiče vibrací
- Venkovní žaluzie s nástavcem
- Ohřívače
- Přechody, redukce, adaptéry
- Tlumiče hluku
- Tlumiče hluku MAA-Q pro kruhové potrubí
- Tlumiče hluku KMTI na výtlak pro ventilátory CMB/CMT
- Tlumiče hluku MAA pro kruhové potrubí
- Tlumiče hluku MTS pro kruhové potrubí
- Telefonní tlumiče
- Tlumiče hluku TAA/TAAC pro axiální ventilátory
- Tlumiče hluku IAA pro čtyřhranné potrubí
- Tlumiče hluku CAA deskové
- Tlumiče hluku GDH pro střešní ventilátory
- Tlumiče hluku JAA pro střešní ventilátory
- Tlumiče hluku MAA-CTB pro ventilátory CTB
- Tlumiče hluku SONOULTRA flexibilní
- Tlumiče hluku SCZ pro axiální ventilátory
- Pružné spojky
- Protidešťové žaluzie
- Chladiče
- Montážní konzole a rámy
- Podstavce
- Protimrazové ochrany
- Mřížky ochranné
- Mřížky ochranné IDF pro ventilátory IRB/IRT
- Mřížky ochranné DEF-T mezi příruby
- Mřížky ochranné DEF-A, -AN pro axiální ventilátory
- Mřížky ochranné DEF-D pro axiální ventilátory
- Mřížky ochranné SG pro ventilátory do kruhového potrubí
- Mřížky ochranné MRJ s dýzou
- Mřížky ochranné KRJ na sání pro ventilátory CMB/CMT
- Příruby
- Odvody kondenzátu
- Revizní prvky
- Příslušenství – distribuční elementy
- Anemostaty
- Vířivé anemostaty s pevnými lamelami DFR-U
- Kruhové anemostaty s pevným kuželem DRE-CF
- Kruhové anemostaty s nastavitelným kuželem DRE-C
- Anemostaty s termickou regulací DRE-G-TR
- Kruhové anemostaty s vířivým efektem DRE-E
- Vířivé anemostaty s pevnými lamelami DFR-E
- Vířivé anemostaty DFR-B
- Vířivé anemostaty s nastavitelnými lamelami DRE-G
- Přívodní tryskové anemostaty KHD
- Anemostaty s termickou regulací DF-TR
- Vířivé anemostaty DFR-A
- Vířivé anemostaty s nastavitelnými dýzami DFR-N
- Vířivé anemostaty DFR-C
- Anemostaty univerzální plastové WDZA
- Plenum boxy
- Dýzy
- Měřící kruhy
- Mřížky
- Dveřní mřížky
- Gravitační mřížky
- Krbové mřížky
- Podlahové mřížky
- Stěnové mřížky, panely
- MSO-1.0 otevřené, jednořadé, úhel natočení lamel 0°
- MSU 25-1.0 uzavřené, jednořadé, úhel natočení lamel 0°
- MSO-1.1 otevřené, jednořadé, úhel natočení lamel 15°
- MSU 25-1.1 uzavřené, jednořadé, úhel natočení lamel 15°
- MSU 25-2.0 uzavřené, dvouřadé, úhel natočení lamel 0°
- MSU 25-2.1 uzavřené, dvouřadé, úhel natočení lamel 15°
- MDU stěnové designové panely
- MSU F-1.0 jednořadé, úhel natočení lamel 0°
- MSU F-1.1 jednořadé, úhel natočení lamel 15°
- Fasádní mřížky
- Větrací mřížky
- Stabilizační jednotky
- Vyústky
- Ventily
- Regulátory průtoku
- Regulační a měřící prvek ED Flex Flowmeter
- Regulační a měřící clony IRIS
- Regulátory konstatního průtoku RDR
- Regulátory průtoku s tlumícími účinky MTRP
- Regulátory konstatního průtoku MVF Varioflow
- Regulátory variabilního průtoku MVF-S Varioflow
- Regulátory konstatního průtoku IVF Varioflow
- Regulátory variabilního průtoku IVF-S Varioflow
- Elementy odvodní, přívodní
- Příslušenství pro distribuční elementy
- Anemostaty
- Příslušenství – ohebné hadice, tvarovky
- Záslepky
- Kalhotové kusy
- Montážní příslušenství
- Objímky
- Oblouky
- Odbočky
- Ohebné hadice
- Protidešťové stříšky
- Přechody
- Spiro potrubí
- Spojky
- ED PLAST plastový program
- UP - hranaté potrubí
- Spojky pro ploché kanály
- Ploché kanály
- Oblouky pro ploché kanály
- Spony pro ploché kanály
- T-odbočky pro ploché kanály
- Montážní rámečky pro ploché kanály
- Přechody pro ploché kanály
- Záslepky pro ploché kanály
- Přetlakové klapky pro ploché kanály
- Protidešťové žaluzie pro ploché kanály
- Tlumiče hluku pro ploché kanály
- UK - kulaté potrubí
- UP - hranaté potrubí
- Sedlové kusy
- Spony
- Výfukové hlavice
- Výfukové kusy
- Izolační návleky, rohože, pásky
- Regulátory a přepínače otáček
- Termostaty, čidla a příslušenství
- Regulátory ohřívačů
- Řídicí systémy
- Příslušenství - ED Flex System®, ED Plano System®
- Požární a kouřové klapky
- Požární ventily
- Požární klapky
- CU2 požární klapky do hranatého potrubí
- CX-5 požární klapky do kruhového potrubí
- CU-LT požární klapky do hranatého potrubí
- CR2 požární klapky do kruhového potrubí
- NEO požární lamelové klapky
- LX-5 požární klapky
- CR požární klapky do kruhového potrubí
- MDF požární klapky do hranatého potrubí
- BTT požární klapky do kruhového potrubí
- Klapky pro odvod kouře a tepla
- Ventilátory
- Kontakty
- Objednávka tištěných materiálů
- Záruka a reklamace
- Servis
- Jak nakupovat
PŘIHLÁŠENÍ
Registrace
Registrace Vám umožní snadnější nakupování.

Levné klimatizace a ventilátory
Alternativní výrobky pro nízkonákladové aplikace a elektrikáře na
https://www.univent.cz/









