EnglishSlovenskyČesky

PROL 150/125 přechod osový krátkýPříslušenství, potrubní elementy

  Katalogový list  Návod k použití2D/3D CAD220 Kč
Kusů  
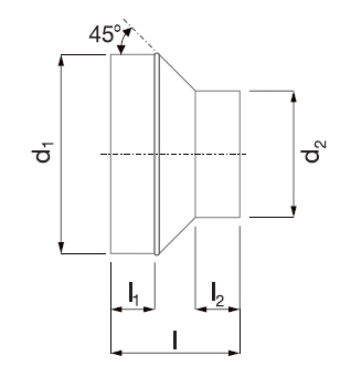
Vyobrazení a rozměry:
  
d1d2ll1l2
1501251225545
Technické parametry
Hmotnost
[g]
190
 Informace
• tvarovka je vyrobena lisováním
• bezešvé provedení
• spojení s potrubím samořeznými šrouby

 

Content © ELEKTRODESIGN ventilátory spol. s r.o. a poskytovatelé obsahu (Soler & Palau, VIM, Wernig, Eberle, Belimo CZ, UNIVENT CZ a další)