CMT/4-400/165-4 IP55 centrifugal fanRadiální ventilátory
Catalog sheet | ![]() | Service instructions | ![]() | 2D/3D CAD | 3 973.69 EUR | Toto zboží není možno objednat přes internet, kontaktujte naše obchodní oddělení nebo navštivte naše pobočky. |
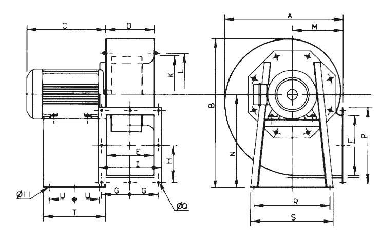
Look and dimensions:
| A | B | C | D | E | F | G | H | I | K | L | M/N | P/Q | R/S | T/U |
|---|---|---|---|---|---|---|---|---|---|---|---|---|---|---|
| 632 | 796 | 425 | 254 | 250 | 320 | 150 | 185 | 334 | 413 | 438 | 270/495 | 404/11 | 402/438 | 327/134 |
Technical parameters
| otáčky [min-1] | průtok (0 Pa) [m3/h] | příkon [kW] | proud [A] | napětí [V] | max. teplota [°C] | akust. tlak [dB(A)] | hmotnost [kg] | regulace |
|---|---|---|---|---|---|---|---|---|
| 1420 | 7200 | 4,0 | 9,30 | 400 | 150 | 77 | 70,0 | VFTM TRI 4 |
![]() | Skříň Skříň je vyrobena z elektricky svařovaného plechu a je opatřena odolným epoxy-polyesterovým nátěrem šedé barvy. Spirální skříň je standardně dodávána v poloze LG 270, poloha může být na montáži změněna. Ventilátory jsou konstruovány k trvalé dopravě teplého vzduchu do teploty +150 °C, bez obsahu nebezpečných látek. | |
![]() | Oběžné kolo Oběžné kolo s dopředu zahnutými lopatkami je vyrobeno z galvanicky pokoveného ocelového plechu. Oběžné kolo je dynamicky vyváženo dle ISO 1940. | |
![]() | Motor Motor je asynchronní indukční, uložený mimo proud vzdušiny, je vyroben podle normy IEC 34-1. Izolace motoru je F, krytí IP55. Motor má kuličková ložiska s tukovou náplní na celou dobu životnosti. Na přání lze dodat dvouotáčkové motory nebo nevýbušné provedení. | |
![]() | Svorkovnice Svorkovnice je umístěna na motoru. | |
![]() | Regulace otáček Regulace otáček pomocí frekvenčních měničů. | |
![]() | Hluk Hluk emitovaný ventilátorem je uveden v tabulkách. Akustický tlak je měřen ve volném prostoru ve vzdálenosti 1,5 m na výtlačné straně při maximálním průtoku. | |
![]() | Montáž Poloha výtlaku může být na montáži změněna. Skříň nesmí přenášet mechanické namáhání z potrubních rozvodů. Je nutné použít pružné připojení k potrubí. Před montáží je důležité zkontrolovat, zda elektrické parametry výrobku uvedené na štítku (napětí, příkon, frekvence, atd.) odpovídají hodnotám místní sítě. | |
![]() | Pokyny Ventilátory jsou vhodné pro běžnou vzduchotechniku i OEM aplikace, kde je požadován odtah horkého vzduchu bez obsahu nebezpečných látek. Ventilátory CMB/CMT lze použít samostatně nebo je začlenit do dalších skupin strojních zařízení určených k odvodu nebo přívodu vzduchu, včetně nuceného větrání v průmyslu a chlazení motorů vzduchem. | |
Hladiny akustického výkonu v oktávových pásmech
| 63 | 125 | 250 | 500 | 1000 | 2000 | 4000 | 8000 | LwAtot | Akust. tlak (1,5 m) |
|---|---|---|---|---|---|---|---|---|---|
| 61 | 74 | 80 | 81 | 86 | 87 | 83 | 80 | 93 | 77 |
Additional pictures
příslušenství | návrh ventilátoru softwarem EASYVENT | návrh a konzultace | montážní varianty |















