CRMT/4-400/165-4 IP55 centrifugal fanRadiální ventilátory
Catalog sheet | ![]() | Service instructions | ![]() | 2D/3D CAD | 4 010.70 EUR | Toto zboží není možno objednat přes internet, kontaktujte naše obchodní oddělení nebo navštivte naše pobočky. |
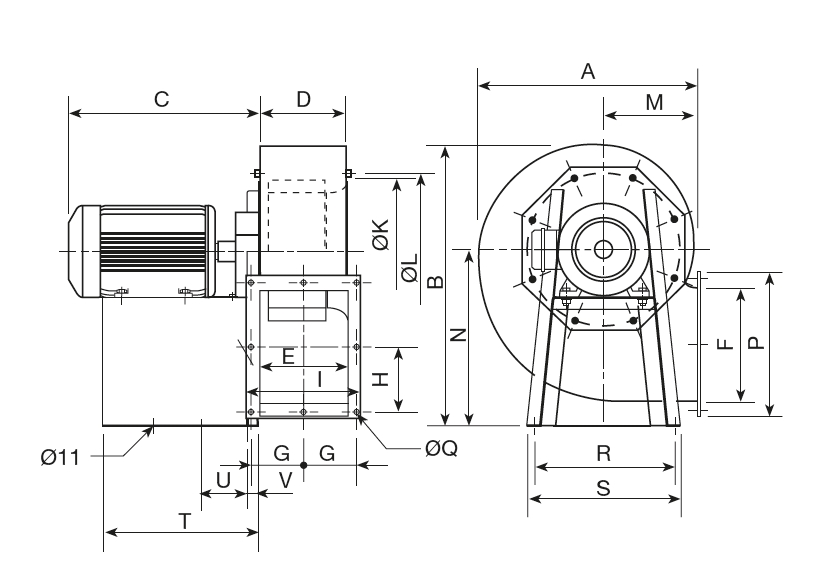
Look and dimensions:
| A | B | Cmax | D | E | F | G | H | I | K | L/M | N/P | Q/R | S/T | U/V |
|---|---|---|---|---|---|---|---|---|---|---|---|---|---|---|
| 628 | 792 | 555 | 254 | 249 | 320 | 150 | 185 | 334 | 410 | 438/270 | 495/404 | 11/402 | 438/420 | 2x134/30 |
Technical parameters
| otáčky [min-1] | průtok (0 Pa) [m3/h] | příkon [kW] | proud [A] | napětí [V] | akust. tlak* [dB(A)] | hmotnost [kg] |
|---|---|---|---|---|---|---|
| 1420 | 7200 | 4,0 | 9,3 | 400 | 77 | 73,5 |
* udané hodnoty akustického tlaku v dB(A) měřeny na výtlaku ventilátoru při maximálním průtoku (Qmax)
![]() | Skříň Skříň je vyrobena ze silného plechu, povrchově ošetřeného speciálním nátěrem odolným proti vysokým teplotám. Ventilátory jsou konstruovány k trvalé dopravě teplého vzduchu do teploty +300 °C, bez obsahu nebezpečných látek. Jsou navrženy a schváleny pro odtah vzduchu (pouze pro vzduch uvnitř spirální skříně) o teplotě 400 °C po dobu minimálně 2 hodin. Jsou schváleny dle norem EN 12101-3. | |
![]() | Oběžné kolo Oběžné kolo s dopředu zahnutými lopatkami je vyrobeno z galvanicky pokoveného ocelového plechu. Oběžné kolo je dynamicky vyváženo dle ISO 1940. | |
![]() | Motor Motory jsou určeny pro třífázové napětí. Izolace třídy F a krytí IP55. Velikosti motorů do výkonu 3 kW včetně jsou určeny pro el. rozvod 230/400 V, motory s vyšším příkonem pak pro napětí 400 V/50 Hz. Na přání lze dodat dvouotáčkové motory. | |
![]() | Svorkovnice Svorkovnice je umístěna na motoru. | |
![]() | Regulace otáček Na přání lze dodat dvouotáčkové motory. Informujte se na možnost a podmínky použití frekvenčních měničů VFVN. | |
![]() | Hluk Hluk emitovaný ventilátorem je uveden v tabulkách. Akustický tlak je měřen ve volném prostoru ve vzdálenosti 1,5 m na výtlačné straně při maximálním průtoku. | |
![]() | Montáž Skříň nesmí přenášet mechanické namáhání z potrubních rozvodů. Je nutné použít pružné připojení k potrubí. Před montáží je důležité zkontrolovat, zda elektrické parametry výrobku uvedené na štítku (napětí, příkon, frekvence, atd.) odpovídají hodnotám místní sítě. | |
![]() | Pokyny Ventilátory jsou vhodné pro běžnou vzduchotechniku i OEM aplikace, kde je požadován odtah horkého vzduchu bez obsahu nebezpečných látek. Ventilátory CRMT lze použít samostatně nebo je začlenit do dalších skupin strojních zařízení určených k odvodu nebo přívodu vzduchu, včetně nuceného větrání v průmyslu a chlazení motorů vzduchem. Použití ventilátorů pro odvod tepla a kouře je možné pouze po předchozím projednání. | |
Akustický výkon LwA v oktávových pásmech v [dB(A)]
| 63 | 125 | 250 | 500 | 1000 | 2000 | 4000 | 8000 | LwAtot | akust. tlak (1,5 m) |
|---|---|---|---|---|---|---|---|---|---|
| 61 | 74 | 80 | 81 | 86 | 87 | 83 | 80 | 92 | 77 |















