CRVB/4-400 N IP54 roof mounted fanStřešní ventilátory
Catalog sheet | ![]() | Service instructions | ![]() | 2D/3D CAD | 1 604.20 EUR | Toto zboží není možno objednat přes internet, kontaktujte naše obchodní oddělení nebo navštivte naše pobočky. |
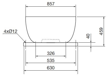
Technical parameters
| otáčky [min-1] | průtok (0 Pa) [m3/h] | příkon [W] | napětí [V] | proud [A] | max. teplota [°C] | akust. tlak* [dB(A)] | hmotnost [kg] | velikost příslušenství | regulátor |
|---|---|---|---|---|---|---|---|---|---|
| 1380 | 4530 | 570 | 230 | 2,4 (2,8)** | 55 | 55/59 | 29 | 630 | REB 5, REV 3 |
* akustický tlak je měřen ve vzdálenosti 3 m v bodě 2 výkonové křivky (sání/výtlak); ** hodnota v závorce platí v případě regulace otáček napětím
![]() | Skříň Skříň je konstruována pro horizontální (CRH) nebo vertikální (CRV) výfuk vzdušiny. Podstavec ventilátoru je z ocelového pozinkovaného plechu, galvanicky pokovené jsou i držáky, mřížka a šrouby. Stříška a skříň ventilátoru jsou z Al plechu. Motor ventilátoru je uložen v proudu vzdušiny. Ventilátor je chráněn mřížkou proti vniknutí cizích těles. | |
![]() | Oběžné kolo Oběžné kolo ventilátoru je radiální s dozadu zahnutými lopatkami. Vyrobené je z plastu, je staticky a dynamicky vyváženo. | |
![]() | Motor Motor je asynchronní s odporovou kotvou nakrátko, s vnějším rotorem. Motory jsou sériově vybaveny termopojistkou. Vinutí je v tropikalizační úpravě s izolací třídy F. Ložiska mají tukovou náplň na dobu životnosti. Krytí IP54. | |
![]() | Směr otáčení Směr otáčení je možný pouze jedním směrem, ve smyslu šipky na skříni ventilátoru. Při opačném směru otáčení může dojít k přetížení motoru, ventilátor se projevuje zároveň zvýšeným hlukem. | |
![]() | Svorkovnice Svorkovnice s revizním vypínačem je umístěna na podstavci (CRH) nebo skříni (CRV) ventilátoru. U jednofázových ventilátorů svorkovnice obsahuje také rozběhový kondenzátor. Krytí je IP55. | |
![]() | Regulace otáček Regulace otáček se provádí elektronickými nebo transformátorovými regulátory změnou napětí, třífázové typy také frekvenčními měniči. | |
![]() | Hluk Hluk emitovaný ventilátorem je uveden v tabulkách. | |
![]() | Montáž Ventilátor se montuje zásadně horizontálně pomocí příslušenství (s osou motoru svisle). | |
![]() | Pokyny Ventilátory jsou vhodné pro obecné vzduchotechnické aplikace. | |
Acessories
DOS 535 Metal G roof stand with inner insulation
JAA 630 sound attenuator
JAE 630 flexible coupling
JBR 630 loose mounting flanges
JBS 630 20° stand for sloping roofs
JBS 630 30° stand for sloping roofs
JBS 630 40° stand for sloping roofs
JCA 630 backdraft shutter
JCM 630 backdraft shutter for actuators
JKR 630 tilting frame
JMS 630 roof mounting frame
JPA 630 adapter
REB 3 ANALOG automatic speed controller
REB 5 speed controller
REV 3,0 A regulátor otáček
















