CRVB/6-560 N IP54 roof mounted fanStřešní ventilátory
Catalog sheet | ![]() | Service instructions | ![]() | 2D/3D CAD | 3 102.41 EUR | Toto zboží není možno objednat přes internet, kontaktujte naše obchodní oddělení nebo navštivte naše pobočky. |
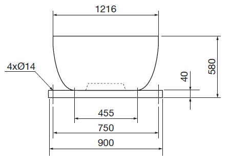
Technical parameters
| otáčky [min-1] | průtok (0 Pa) [m3/h] | příkon [W] | napětí [V] | proud [A] | max. teplota [°C] | akust. tlak* [dB(A)] | hmotnost [kg] | velikost příslušenství | regulátor |
|---|---|---|---|---|---|---|---|---|---|
| 930 | 8920 | 930 | 230 | 4,4 (5,1)** | 70 | 56/61 | 65 | 905 | REB 10, REV 7 |
* akustický tlak je měřen ve vzdálenosti 3 m v bodě 2 výkonové křivky (sání/výtlak); ** hodnota v závorce platí v případě regulace otáček napětím
![]() | Skříň Skříň je konstruována pro horizontální (CRH) nebo vertikální (CRV) výfuk vzdušiny. Podstavec ventilátoru je z ocelového pozinkovaného plechu, galvanicky pokovené jsou i držáky, mřížka a šrouby. Stříška a skříň ventilátoru jsou z Al plechu. Motor ventilátoru je uložen v proudu vzdušiny. Ventilátor je chráněn mřížkou proti vniknutí cizích těles. | |
![]() | Oběžné kolo Oběžné kolo ventilátoru je radiální s dozadu zahnutými lopatkami. Vyrobené je z plastu, je staticky a dynamicky vyváženo. | |
![]() | Motor Motor je asynchronní s odporovou kotvou nakrátko, s vnějším rotorem. Motory jsou sériově vybaveny termopojistkou. Vinutí je v tropikalizační úpravě s izolací třídy F. Ložiska mají tukovou náplň na dobu životnosti. Krytí IP54. | |
![]() | Směr otáčení Směr otáčení je možný pouze jedním směrem, ve smyslu šipky na skříni ventilátoru. Při opačném směru otáčení může dojít k přetížení motoru, ventilátor se projevuje zároveň zvýšeným hlukem. | |
![]() | Svorkovnice Svorkovnice s revizním vypínačem je umístěna na podstavci (CRH) nebo skříni (CRV) ventilátoru. U jednofázových ventilátorů svorkovnice obsahuje také rozběhový kondenzátor. Krytí je IP55. | |
![]() | Regulace otáček Regulace otáček se provádí elektronickými nebo transformátorovými regulátory změnou napětí (kromě CRHT/4-560 a CRVT/4-560), třífázové typy také frekvenčními měniči. | |
![]() | Hluk Hluk emitovaný ventilátorem je uveden v tabulkách. | |
![]() | Montáž Ventilátor se montuje zásadně horizontálně pomocí příslušenství (s osou motoru svisle). | |
![]() | Pokyny Ventilátory jsou vhodné pro obecné vzduchotechnické aplikace. | |
Acessories
DOS 750 Metal G roof stand with inner insulation
JAA 905 sound attenuator
JAE 905 flexible coupling
JBR 905 loose mounting flanges
JBS 905 20° stand for sloping roofs
JBS 905 30° stand for sloping roofs
JBS 905 40° stand for sloping roofs
JCA 905 backdraft shutter
JCM 905 backdraft shutter for actuators
JMS 905 roof mounting frame
JPA 905 adapter
REB 10 speed controller
REB 11 ANALOG automatic speed controller
REV 7,0 A speed regulator
















