CTB/4-1300/315/HN IP55 roof fan with hybrid extensionStřešní ventilátory
Catalog sheet | ![]() | Service instructions | ![]() | 2D/3D CAD | 1 471.76 EUR | Toto zboží není možno objednat přes internet, kontaktujte naše obchodní oddělení nebo navštivte naše pobočky. |
Technical parameters
| otáčky [min-1] | příkon [W] | proud [A] | průtok (0 Pa) [m3/h] | akust. tlak - sání* [dB(A)] | akust. tlak - výtlak* [dB(A)] | hmotnost [kg] |
|---|---|---|---|---|---|---|
| 1410 | 110 | 0,48 | 1400 | 42 | 48 | 9,0 |
* akustický tlak je měřen ve vzdálenosti 3 m, v pracovním bodě ve středu charakteristiky ventilátoru
![]() | Skříň Skříň je z ocelového pozinkového plechu. Je opatřena černým epoxidovým nátěrem. Všechny modely jsou vybaveny ochrannou sítí proti drobnému ptactvu. Hybridní nástavec je standardně z pozinkovaného plechu. Na vyžádání v barevném provedení (RAL). | |
![]() | Oběžné kolo Oběžné kolo ventilátoru je radiální s dozadu zahnutými lopatkami. Vyrobené je z ocelového pozinkovaného plechu, je staticky a dynamicky vyváženo. | |
![]() | Motor Motor je asynchronní s kotvou nakrátko, stator s chladicími žebry, izolace motoru je třídyn F. Trvalá pracovní teplota -40 až 70 °C. Kuličková ložiska mají tukovou náplň na dobu životnosti. Krytí motoru je IP55. | |
![]() | Svorkovnice Svorkovnice je umístěna ve skříňce servisního vypínače, která obsahuje též rozběhový kondenzátor. Krytí servisního vypínače je IP55. | |
![]() | Regulace otáček Regulace otáček se provádí jednofázovými elektronickými regulátory. | |
![]() | Hluk Hluk emitovaný ventilátorem je uveden v tabulce a u jednotlivých charakteristik. | |
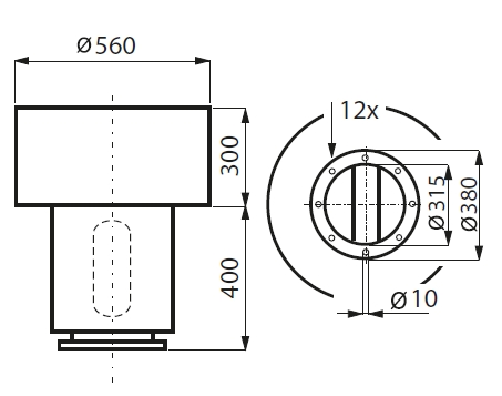
![]() | Montáž Ventilátor se montuje zásadně horizontálně (s osou motoru svisle) přímo na kruhové potrubí. Montáž se provádí pomocí příruby ventilátoru, která je opatřena pryžovým těsněním. | |
Akustický výkon LwA v oktávových pásmech v [dB(A)]
| Hz | 63 | 125 | 250 | 500 | 1000 | 2000 | 4000 | 8000 | LwAtot / LpA |
|---|---|---|---|---|---|---|---|---|---|
| sání - A | 42 | 51 | 56 | 60 | 60 | 58 | 62 | 53 | 67/46 |
| sání - B | 37 | 46 | 52 | 56 | 56 | 55 | 56 | 48 | 62/42 |
| sání - C | 41 | 48 | 51 | 54 | 55 | 53 | 52 | 47 | 60/40 |
| výtlak - A | 42 | 52 | 61 | 65 | 68 | 68 | 66 | 58 | 73/53 |
| výtlak - B | 40 | 47 | 56 | 60 | 64 | 64 | 60 | 52 | 69/48 |
| výtlak - C | 43 | 49 | 55 | 59 | 63 | 62 | 57 | 51 | 67/47 |
Akustický tlak LpA je měřen ve vzdálenosti 3 m v pracovním bodě ve středu charakteristiky ventilátoru
Additional pictures
příklad stoupacího vzduchotechnického potrubí | servisní vypínač | upevnění hybridního nástavce | montáž hybridního nástavce na CTB | |||
upevnění nástavce na MAA-CTB | detail tlumiče MAA-CTB s kulisou |














