EDAV/10-900 Ekonovent axial fan with EC motorAxiální ventilátory IP54
Catalog sheet | ![]() | Service instructions | ![]() | 2D/3D CAD | – |
Technical parameters
| max. otáčky [min-1] | průtok (0 Pa) [m3/h] | příkon* [W] | napětí [V / 50 Hz] | Lpa*** [dB(A)] | N** [%] | hmotnost [kg] |
|---|---|---|---|---|---|---|
| 1100 | 32730 | 3200 | 3x400 | 70 | 40/56,5 | 51,5 |
* štítková hodnota motoru; ** N - třída energetické účinnosti dle ErP2015/aktuální; *** při maximálních otáčkách ventilátoru ve vzdálenosti 3 m, bez reflexní složky, směrový činitel Q = 2, na straně výtlaku
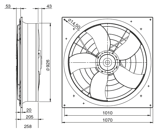
![]() | Skříň Skříň je vyrobena z ocelového pozinkovaného plechu opatřeného černým lakem. Krycí mřížka je práškově lakovaná, šrouby jsou galvanicky pokoveny. | |
![]() | Oběžné kolo Oběžné kolo je pevně spojené s rotorem elektromotoru a má aerodynamicky optimalizovaný tvar lopatek pro dosažení nižší úrovně hluku a nižší energetické náročnosti. Oběžné kolo je vyrobeno z nelakované hliníkové slitiny a je staticky a dynamicky vyváženo dle ISO 1940. | |
![]() | Motor Elektronicky komutovaný motor s plynulým řízením otáček pomocí signálu 0…10 V s vestavěnou elektronikou (alternativně je možné řídit otáčky elektromotoru pomocí PWM signálu). Krytí motoru IP54, pracovní teplota v rozsahu –25 °C až +40 °C. Třída účinnosti motoru IE4. Motor je opatřen vestavěnou tepelnou ochranou. Kuličková ložiska jsou oboustranně uzavřená s tukovou náplní na dobu životnosti. | |
![]() | Směr otáčení Směr otáčení při pohledu na rotor elektromotoru proti směru hodinových ručiček. Směr proudění vzduchu je ve směru od motoru k oběžnému kolu. | |
![]() | Svorkovnice Svorkovnice je přístupná po odmontování víčka elektromotoru. | |
![]() | Hluk Hluk emitovaný ventilátorem je uveden v tabulkách. | |
![]() | Montáž Montáž je možná ve vertikální i horizontální poloze ventilátoru (tzn. na stěnu nebo do podlahy nebo stropu). Skříň nesmí přenášet mechanické namáhání potrubních rozvodů. Je nutné použít pružné připojení v případě napojení na potrubí. | |
Akustický výkon LwA v oktávových pásmech v [dB(A)]
| Hz | 63 | 125 | 250 | 500 | 1000 | 2000 | 4000 | 8000 | LwAtot |
|---|---|---|---|---|---|---|---|---|---|
| LwA* | 59 | 67 | 78 | 82 | 83 | 79 | 75 | 69 | 87 |
* na výtlačné straně ventilátoru, v bodě s maximální účinností, U = 10 V
Additional pictures
typový klíč pro objednávání | pracovní body ventilátoru odpovídající max. účinnosti |
Whole assortment 
- Products
- Fans
- Small axial extract fans
- Small centrifugal extract fans
- Circular in-line duct fans
- Rectangular duct fans
- Axial fans
- Roof mounted fans
- Smoke extract fans
- Explosionproof fans
- Anti-corrosive fans
- Fans BA INOX
- Fans PCM
- Fans P
- Fans PR
- Plastic accessories for acidproof fans
- Flexible connectors PV PP
- Inner connection pieces NI PP
- Backdraft shutters KZ PP
- Branch T pipes OBJ PP
- Cross branch pipes OBS PP
- Dampers KKR PP, KKS PP
- Sound attenuator THK PP
- Exhaust extensions VN PP
- Protective grilles MK PP
- Deflector hoods HV PP
- Roof cowls SK PP
- End coverings DV PP
- Free flanges VP PP
- Transformation pieces PRO PP
- Flexible connectors - adapters NAPV PP
- Pipes TR PP
- Bends OL PP
- Fans TMPB/TMPT
- Fans CMPB/CMPT
- Fans PC
- Fans TCV
- Special applications fans
- Industrial fans
- Fans with EC motors
- KABB / KABT Ecowatt economical fans
- CVAB-N/CVAT-N Ekonovent economical fans
- IRB Ecowatt economical centrifugal fans
- EDAV Ekonovent fans
- ECOAIR Ecowatt economical centrifugal fans
- CVAB-N Ecowatt economical fans
- CTB Ecowatt fans
- CRHB/CRVB N Ecowatt fans
- TD Ecowatt economical fans
- RM Ecowatt economical fans
- TD SILENT Ecowatt silent economical fans
- CAB Ecowatt economical fans
- OZEO Ecowatt economical centrifugal fans
- HXBR/TXBR Ecowatt fans
- TD SILENT Ecowatt CAV fans
- CRHB/CRVB N Ecowatt Plus intelligent DCV fans
- CTB Ecowatt Plus intelligent DCV fans
- TH Ecowatt fans
- CAB Ecowatt Plus economical fans
- JETLINE Ecowatt economical fans
- TPSB Ecowatt roof fans
- TD-EVO Ecowatt economical fans
- Air handline units
- Heat recovery units and heat exchangers
- Small recuperation units
- AR Flex systém
- SABIK recuperation units
- EHR 300 Akor heat recovery unit
- ORKA heat recovery units
- EHR 280/325 Akor recuperation units
- IDEO 450/575 Ecowatt recuperation units
- EHR 150 N Ekonovent® recuperation units
- EHR 300/480 N Ekonovent® recuperation units
- Náhradné filtre
- IDEO 325 Ecowatt recuperation units
- DOMEO heat recovery units
- ROVENTO recuperation units
- PLUGGIT heat recovery system
- Flexeo heat recovery units
- NEMBUS heat recovery units
- Ground-coupled heat exchangers
- Recuperation heat exchangers
- Industrial recuperation units
- Single room heat recovery units
- Small recuperation units
- Air curtains
- Special equipment
- Cooker hoods
- Accessories – duct elements
- Electrical exhaust valves
- Condensation traps
- Filter cassettes and filter beds
- Protection guards
- Elbows
- Extenders
- Dumpers, shutters, valves
- Inlet rings
- Mixing chambers
- Mixing / distributing valves
- Couplings MBR
- Flexible flange connectors
- Weathercaps
- Seals
- Vibration attenuators
- Telescopic extenders
- Heater batteries
- Transformation pieces, adapters
- Sound attenuators
- Sound attenuators MAA-Q for circular ducts
- Sound attenuators KMTI for CMB/CMT fans
- Sound attenuators MAA for circular ducts
- Sound attenuators MTS for circular ducts
- Sound attenuators MSD/SGD
- Sound attenuators TAA/TAAC for axial fans
- Sound attenuators IAA for rectangular ducts
- Desk sound attenuator CAA
- Sound attenuators GDH for roof mounted fans
- Sound attenuators JAA for roof mounted fans
- Sound attenuators MAA-CTB for CTB fans
- Sound attenuators SONOULTRA
- Sound attenuators SCZ for axial fans
- Flexible connectors
- External weather louvres
- Coolers
- Assembly consoles and frames
- Roof stands
- Protimrazové ochrany
- Protection grilles
- Flanges
- Condensate drains
- Inspection element
- Accessories - diffusers and grilles
- Air Diffuser
- Swirl diffusers with fixed blades DFR-U
- Circular difusers DRE-CF
- Circular diffusers DRE-C
- Diffusers with thermic regulation DRE-G-TR
- Circular diffusers DRE-E
- Swirl diffusers with fixed blades DFR-E
- Swirl diffusers DFR-B
- Swirl diffusers DRE-G
- Conical air diffusers KHD
- Diffusers with thermic regulation DF-TR
- Swirl diffusers DFR-A
- Swirl diffusers with adjustable nozzles DFR-N
- Swirl diffusers DFR-C
- Universal plastic diffusers WDZA
- Plenum boxes
- Nozzles
- Measuring Ring
- Grilles
- Connection Box
- Diffusers
- Air valves
- Flow regulators
- Air Terminal Element
- Accessories for diffusers and grilles
- Air Diffuser
- Accessories - flexible hoses, shaped pieces
- Speed controllers and switches
- Thermostats, sensors and accessories
- Heat battery controllers
- Control systems
- Accessories - ED Flex System®, ED Plano System®
- Fire dampers
- Fans
- Contacts
- Service
LOG IN
Register now
The registration helps you to easily buy products

Cheap vents
Alternative products for lowend applications and electricians at https://www.univent.cz/
Shop hours
Monday–Thursday: 7.30 a.m.–4.00 p.m.
Friday: 7.30 a.m.–2.00 p.m












