IKW 250 L water coolerPříslušenství, potrubní elementy
Catalog sheet | ![]() | Service instructions | ![]() | 2D/3D CAD | 1 316.98 EUR | Toto zboží není možno objednat přes internet, kontaktujte naše obchodní oddělení nebo navštivte naše pobočky. |
Technical parameters
| kompatibilní velikost vent. IRB/IRT | max. výkon [kW] | průtok [l/h] | hmotnost [kg] | Ø potrubí Cu [mm] |
|---|---|---|---|---|
| 250 | 9,7 | 1382 | 14,38 | 22 |
hodnoty výkonu platí pro přívodní vzduch 32 ˚C, RV 40%, teplotní spád vody 6/12 ˚C, čelní rychlost 4 m/s
![]() | Informace • je určen pro čtyřhranné potrubí ve spojení s jednotkami DIRECT AIR • plášť vodního chladiče je z galvanizovaného plechu • lamely jsou hliníkové na měděných trubičkách • připojení je pájením • chladič obsahuje eliminátor kapek Instalace a provoz • při montáži je nutno pamatovat na vypouštění a plnění soustavy a zajištění přístupu pro servis, včetně odvzdušnění • chladiče mohou být instalovány pouze ve vnitřním prostředí (v místě, kde je teplota trvale nad 0 ˚C) • montáž výlučně v horizontální poloze • před chladič musí být instalován filtr vzduchu (ochrana před znečištěním) • chladič doporučujeme zařadit za ohřívač • v rámci projekce je nutno chladič navrhnout s ohledem na množství vyvíjeného kondenzátu • rychlost vzduchu v potrubí nesmí překročit 4 m/s, jinak je nutno po konzultaci s technickým oddělením EDV doplnit další eliminátor kapek • odvod kondenzátu s pachovým sifonem je třeba kontrolovat s ohledem na možnost vysychání a zajistit dostatečnou výšku vodního sloupce pro překonání tlakové ztráty sifonu • pro zjištění minimálního bezpečného rozdílu hladin v sifonu lze orientačně postupovat tak, že se vezme celkový tlak ventilátoru Pt v mm vodního sloupce, tato hodnota se zvýší o cca 50 % (takto získaná hodnota představuje praktickou doporučenou hodnotu výšky vodního sloupce v sifonu, aby nemohlo dojít k překonání pachového uzávěru vyfouknutím přetlakem nebo vysáním podtlakem ventilátoru) • procházející vzduch nesmí obsahovat pevné, vláknité, lepivé a agresivní příměsi. Také musí být bez chemických látek, které způsobují korozi použitých materiálů tj. narušují hliník, měď a zinek • pro snížení tlakových ztrát (a tím snížení provozních nákladů) doporučujeme používat chladiče s obtokem vzduchu kolem výparníku (typ IKW xx BP) • propojení chladiče se zdrojem je pomocí izolovaného měděného potrubí • na základě konzultace s technickým oddělením je možno nabídnout vhodný zdroj chladu | |
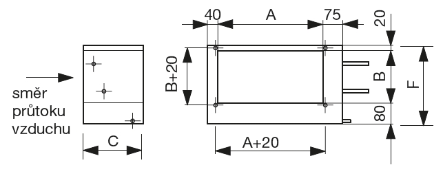
![]() | Upozornění Chladič musí být nainstalován do potrubní trasy s prouděním vzduchu ve směru šipky na skříni chladiče. Pokud je chladič namontován obráceně kondenzát není sváděn do jímače a vytéká z chladiče ven. Pro spolehlivou funkci chladiče je nutno zajistit ochranu proti namrzání případně regulaci výkonu (odmrazovací cyklus). V objednávce je nutno uvést požadavek na pravé nebo levé provedení. | |









