IRB-180 Ecowatt IP44 centrifugal fanRadiální ventilátory do čtyřhranného potrubí
Catalog sheet | ![]() | Service instructions | ![]() | 2D/3D CAD | 713.43 EUR | Toto zboží není možno objednat přes internet, kontaktujte naše obchodní oddělení nebo navštivte naše pobočky. |
Technical parameters
| rozměry potrubí [mm] | otáčky [min-1] | průtok (0 Pa) [m3/h] | výkon [W] | napětí [V] | proud [A] | akust. tlak* [dB(A)] | hmotnost [kg] | regulátor |
|---|---|---|---|---|---|---|---|---|
| 300x150 | 3000 | 640 | 75 | 230 | 0,5 | 61/61/46 | 10 | REB Ecowatt |
* výtlak/sání/do okolí. Akustický tlak je měřen ve vzdálenosti 1,5 m ve volném akustickém poli, ve středním pracovním bodě výkonové křivky
![]() | Skříň Skříň je z ocelového, galvanicky pozinkovaného plechu, skříň je opatřena přírubami pro upevnění do čtyřhranného potrubí. Na skříni je revizní víko, po jehož demontáži je přístupný motor a oběžné kolo. | |
![]() | Oběžné kolo Oběžné kolo je radiální s dozadu zahnutými lopatkami, plastové (velikosti 180 a 200) nebo hliníkové (velikosti 225 a 315). Je staticky a dynamicky vyváženo. | |
![]() | Motor EC motor s tepelnou ochranou proti přetížení. Ložiska kuličková. Krytí IP44, pracovní teplota -20° C až 40 °C. | |
![]() | Směr otáčení Směr otáčení je dán na skříni nalepenou šipkou. Směr otáčení je po uvedení do provozu nutno zkontrolovat. | |
![]() | Svorkovnice Svorkovnice je standardně z černého plastu, je volně na přívodním kabelu od motoru a je jí možno samořeznými šrouby připevnit na dobře přístupné místo na skříni. Krytí IP55. | |
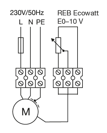
![]() | Regulace otáček Regulace otáček se provádí pomocí potenciometru umístěného ve svorkovnici nebo externím ovládáním REB-ECOWATT. Dále analogovým vstupem 0–10 V od čidla teploty, vlhkosti nebo CO2. | |
![]() | Hluk Hluk emitovaný ventilátorem je uveden v tabulkách pro čtyři části výkonové křivky. | |
![]() | Montáž Montáž v každé poloze ventilátoru, s ohledem na revizní činnost a možnost sejmutí revizního víka přednostně s osou motoru svisle. | |
![]() | Pokyny Ventilátory jsou díky své vysoké účinnosti a ekonomickému provozu vhodné pro náročné aplikace, kde je také možno uplatnit jejich nízký profil a tichý chod. Vhodné jsou také pro DCV aplikace (větrání řízené skutečnou spotřebou). | |
Additional pictures
















