Homepage > Whole assortment > Products > Accessories – duct elements > Roof stands > Roof stands for sloping roofs
JBS 435 40° stand for sloping roofsPříslušenství pro vzduchotechniku
Catalog sheet | ![]() | Service instructions | ![]() | 2D/3D CAD | 373.87 EUR | Toto zboží není možno objednat přes internet, kontaktujte naše obchodní oddělení nebo navštivte naše pobočky. |
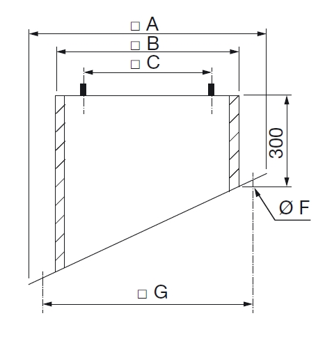
![]() | Informace • montážní podstavec pod ventilátory na šikmé střechy • uvnitř opatřen izolací proti kondenzaci • pro střechy se sklonem 20°, 25°, 30°, 35°, 40° nebo 45° • tloušťka izolace 11 mm | |
Whole assortment 
- Products
- Fans
- Small axial extract fans
- Small centrifugal extract fans
- Circular in-line duct fans
- Rectangular duct fans
- Axial fans
- Roof mounted fans
- Smoke extract fans
- Explosionproof fans
- Anti-corrosive fans
- Fans BA INOX
- Fans PCM
- Fans P
- Fans PR
- Plastic accessories for acidproof fans
- Flexible connectors PV PP
- Inner connection pieces NI PP
- Backdraft shutters KZ PP
- Branch T pipes OBJ PP
- Cross branch pipes OBS PP
- Dampers KKR PP, KKS PP
- Sound attenuator THK PP
- Exhaust extensions VN PP
- Protective grilles MK PP
- Deflector hoods HV PP
- Roof cowls SK PP
- End coverings DV PP
- Free flanges VP PP
- Transformation pieces PRO PP
- Flexible connectors - adapters NAPV PP
- Pipes TR PP
- Bends OL PP
- Fans TMPB/TMPT
- Fans CMPB/CMPT
- Fans PC
- Fans TCV
- Special applications fans
- Industrial fans
- Fans with EC motors
- KABB / KABT Ecowatt economical fans
- CVAB-N/CVAT-N Ekonovent economical fans
- IRB Ecowatt economical centrifugal fans
- EDAV Ekonovent fans
- ECOAIR Ecowatt economical centrifugal fans
- CVAB-N Ecowatt economical fans
- CTB Ecowatt fans
- CRHB/CRVB N Ecowatt fans
- TD Ecowatt economical fans
- RM Ecowatt economical fans
- TD SILENT Ecowatt silent economical fans
- CAB Ecowatt economical fans
- OZEO Ecowatt economical centrifugal fans
- HXBR/TXBR Ecowatt fans
- TD SILENT Ecowatt CAV fans
- CRHB/CRVB N Ecowatt Plus intelligent DCV fans
- CTB Ecowatt Plus intelligent DCV fans
- TH Ecowatt fans
- CAB Ecowatt Plus economical fans
- JETLINE Ecowatt economical fans
- TPSB Ecowatt roof fans
- TD-EVO Ecowatt economical fans
- Air handline units
- Heat recovery units and heat exchangers
- Small recuperation units
- AR Flex systém
- SABIK recuperation units
- EHR 300 Akor heat recovery unit
- ORKA heat recovery units
- EHR 280/325 Akor recuperation units
- IDEO 450/575 Ecowatt recuperation units
- EHR 150 N Ekonovent® recuperation units
- EHR 300/480 N Ekonovent® recuperation units
- Náhradné filtre
- IDEO 325 Ecowatt recuperation units
- DOMEO heat recovery units
- ROVENTO recuperation units
- PLUGGIT heat recovery system
- Flexeo heat recovery units
- NEMBUS heat recovery units
- Ground-coupled heat exchangers
- Recuperation heat exchangers
- Industrial recuperation units
- Single room heat recovery units
- Small recuperation units
- Air curtains
- Special equipment
- Cooker hoods
- Accessories – duct elements
- Electrical exhaust valves
- Condensation traps
- Filter cassettes and filter beds
- Protection guards
- Elbows
- Extenders
- Dumpers, shutters, valves
- Inlet rings
- Mixing chambers
- Mixing / distributing valves
- Couplings MBR
- Flexible flange connectors
- Weathercaps
- Seals
- Vibration attenuators
- Telescopic extenders
- Heater batteries
- Transformation pieces, adapters
- Sound attenuators
- Sound attenuators MAA-Q for circular ducts
- Sound attenuators KMTI for CMB/CMT fans
- Sound attenuators MAA for circular ducts
- Sound attenuators MTS for circular ducts
- Sound attenuators MSD/SGD
- Sound attenuators TAA/TAAC for axial fans
- Sound attenuators IAA for rectangular ducts
- Desk sound attenuator CAA
- Sound attenuators GDH for roof mounted fans
- Sound attenuators JAA for roof mounted fans
- Sound attenuators MAA-CTB for CTB fans
- Sound attenuators SONOULTRA
- Sound attenuators SCZ for axial fans
- Flexible connectors
- External weather louvres
- Coolers
- Assembly consoles and frames
- Roof stands
- Protimrazové ochrany
- Protection grilles
- Flanges
- Condensate drains
- Inspection element
- Accessories - diffusers and grilles
- Air Diffuser
- Swirl diffusers with fixed blades DFR-U
- Circular difusers DRE-CF
- Circular diffusers DRE-C
- Diffusers with thermic regulation DRE-G-TR
- Circular diffusers DRE-E
- Swirl diffusers with fixed blades DFR-E
- Swirl diffusers DFR-B
- Swirl diffusers DRE-G
- Conical air diffusers KHD
- Diffusers with thermic regulation DF-TR
- Swirl diffusers DFR-A
- Swirl diffusers with adjustable nozzles DFR-N
- Swirl diffusers DFR-C
- Universal plastic diffusers WDZA
- Plenum boxes
- Nozzles
- Measuring Ring
- Grilles
- Connection Box
- Diffusers
- Air valves
- Flow regulators
- Air Terminal Element
- Accessories for diffusers and grilles
- Air Diffuser
- Accessories - flexible hoses, shaped pieces
- Speed controllers and switches
- Thermostats, sensors and accessories
- Heat battery controllers
- Control systems
- Accessories - ED Flex System®, ED Plano System®
- Fire dampers
- Fans
- Contacts
- Service
LOG IN
Register now
The registration helps you to easily buy products

Cheap vents
Alternative products for lowend applications and electricians at https://www.univent.cz/
Shop hours
Monday–Thursday: 7.30 a.m.–4.00 p.m.
Friday: 7.30 a.m.–2.00 p.m





Service instructions