JETLINE 200 diagonal fanDiagonální ventilátory do kruhového potrubí
Catalog sheet | ![]() | Service instructions | ![]() | 2D/3D CAD | 350.71 EUR |
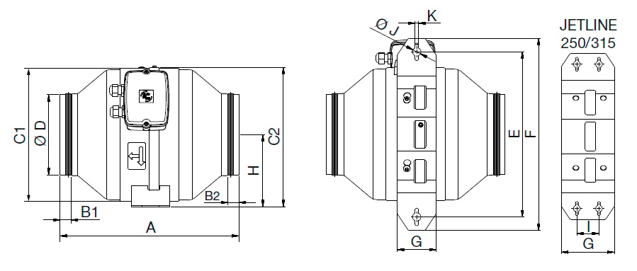
Technical parameters
| otáčky [min-1] | výkon [W] | napětí [V] | proud [A] | průtok (0 Pa) [m3/h] | teplota [°C] | akust. tlak* [dB(A)] | hmotnost [kg] | regulace [kg] |
|---|---|---|---|---|---|---|---|---|
| 2630 | 125 | 230 | 0,5 | 1080 | -20 až +60 | 58/42/55 | 5,6 | REB 1; REV 1,5 |
* akustický tlak je měřen ve volném poli ve vzdálenosti 1,5 m v bodě 2, sání / do okolí / výtlak
![]() | Skříň Skříň je vylisována z ocelového pozinkového plechu. Kompaktní nízkoprofilový design. Na hrdlech pro připojení potrubí je gumové těsnění, na výtlaku je integrovaný difuzor zlepšující účinnost a snižující hluk. | |
![]() | Oběžné kolo Oběžné kolo je vyrobeno z ABS plastu, jeho optimalizovaný design zvyšuje výkon a snižuje hluk. | |
![]() | Motor Jednofázový asynchronní motor s vnějším rotorem a tepelnou ochranou. Napětí 220-240 V, 50/60 Hz (JETLINE 315 pouze 50 Hz), Třída izolace F, krytí IP44. Pracovní teplota -20 °C až +60 °C. | |
![]() | Svorkovnice Svorkovnice je z černého plastu, je pevně umístněna na skříni ventilátoru. | |
![]() | Regulace otáček Regulace otáček se provádí elektronickými nebo transformátorovými regulátory. | |
![]() | Montáž Montáž ventilátoru se provádí pomocí montážní konzole (součást dodávky) v každé poloze osy motoru. Skříň nesmí přenášet mechanické namáhání z potrubních rozvodů. Je nutné použít pružné připojení k potrubí. | |
![]() | Pokyny Ventilátory jsou určeny k odvětrání rodinných domů, sociálních zařízení, kanceláří a provozoven. Výhodně lze při instalaci do podhledu použít flexohadice, tvarovky, rozváděcí skříně a talířové ventily. Ventilátory lze použít ve spojení s inteligentním čidlem AIRSENS-RH nebo s hygrostatem kombinovaným s termostatem pro odvětrání vlhkých prostor. | |
![]() | Video | |
Additional pictures
sestava pro přívod vzduchu s použitím ventilátorů JETLINE | gumové těsnění na sání i na výtlaku | svorkovnice IP65 pevně umístěna na skříni | montážní konzola součástí dodávky | |||
podrobné akustické parametry |
Acessories
AIRSENS-CO2 detector of CO2 concentration
AIRSENS-RH RH sensor
AIRSENS-VOC VOC sensor
BDOP 200 universal plastic air valve
DT 3 adjustable timer
HIG 2 electronic humidistat
KAA 200 antivibration coupling
MAA 200/600 sound attenuator
MBE 200/5,0 electrical heater battery
MBW 200 water heater battery
MSK 200 damper
PER 200 plastic back draft louvre shutter
REB 1 N speed controller
REB 1 NE speed controller
REV 1,5 A speed regulator
RSK 200 backdraft shutter
RTR 6721 area thermostat
SQA air quality sensor
VBM 200 flexible flange connector
ZN 708 adjustable timer















