MEC 632/4 N 4,0 kW centrif. fan with direct driveIndustrial fans Ferrari
Catalog sheet | ![]() | Service instructions | ![]() | 2D/3D CAD | 2 908.73 EUR | Toto zboží není možno objednat přes internet, kontaktujte naše obchodní oddělení nebo navštivte naše pobočky. |
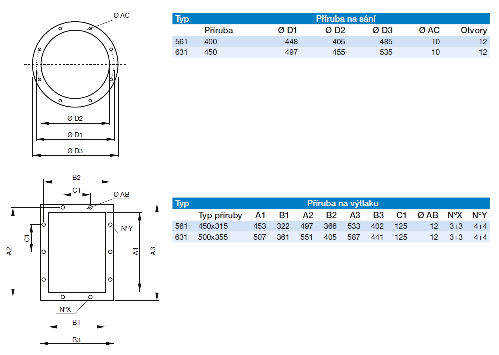
Technical parameters
| velikost motoru | otáčky [min-1] | příkon motoru [kW] | max. proud při 400 V [A] | max. průtok [m3/h] | akust. tlak (1 m)* [dB(A)] | hmotnost** [kg] | moment setrvačnosti*** [kgm2] |
|---|---|---|---|---|---|---|---|
| 112M4 | 1425 | 4,0 | 8,2 | 12060 | 75 | 175 | 1,40 |
* s připojeným potrubím na straně výtlaku, tolerance úrovně hluku +3 dB(A), měřeno v bodě maximální účinnosti; ** včetně motoru a pro montážní polohy LG270 nebo RD270; *** moment setrvačnosti oběžného kola
![]() | Informace Jednostranně sací radiální ventilátor s motorem napřímo. Vyroben z ocelového plechu chráněného kataforezním základním nátěrem a polyuretanovým lakem. Navržen pro trvalý provoz, teplota přepravované vzdušiny od -20 °C do +60 °C. Motory: 2, 4 nebo 6pólové, IE 3* s vysokou účinností, třífázové provedení 230/400 V, 50 Hz do velikosti motoru 132. Pro velikosti motoru nad 132 400/690 V, 50 Hz. Krytí IP55, izolace třídy F. Všechny motory lze regulovat FM. Na vyžádání: • nerez AISI304, AISI316, CORTEN, CREUSABRO 4800 a další materiály • 60 Hz provedení • lakované v různých barvách RAL • ventilátor bez podstavce (provedení 5) do velikosti motoru 160 • vysokoteplotní provedení (až do 220 °C, provedení B s chladicím kotoučem), do 300 °C provedení 8 nebo 12 • ventilátor s pohonem na spojku (provedení 8) nebo na řemen (provedení 12) • revizní dvířka, odvod kondenzátu, ucpávka hřídele, antivibrační sada, nátrubek pro odvod kondenzátu, ochranná mřížka na sání, plynotěsné provedení, provedení s vyšší otěruvzdorností, svařovaná spirální skříň, tepelně izolovaná spirální skříň ATEX provedení: Na vyžádání možnost dodání v nevýbušném provedení podle směrnice ATEX pro třífázové motory a pro okolní atmosférické podmínky definované normou EN 14986. Rozsah teplot -20 °C až +60 °C, absolutní tlak 0,8 až 1,1 bar. • Plyn: 2G IIB T2-T3-T4, motor ExdIIB nebo ExeII 2G IIB+H2 T2-T3-T4, motor ExdIIC 3G IIB T2-T3-T4, motor ExnA (pouze pro zónu 3G) 3G IIB+H2 T2-T3-T4, motor ExnA (pouze pro zónu 3G) • Nevodivý prach: 2D IIIB T125°C-T135°C-T195°CT295°C 3D IIIB T125°C-T135°C-T195°CT295°C • Vodivý prach (povinný motor IP65): 2D IIIC T125°C-T135°C-T195°CT295°C 3D IIIC T125°C-T135°C-T195°CT295°C | |
Additional pictures
oběžné kolo s dozadu zahnutými lopatkami | tabulka použití | ERP data | izolátory chvění | |||
doporučené příslušenství | doporučené příslušenství | vzorník volitelných barev RAL (za příplatek), standard RAL 7045. |








