P 404 230 V PE PTC IP55 anti-corrosive fanKyselinovzdorné ventilátory
Catalog sheet | ![]() | Service instructions | ![]() | 2D/3D CAD | 1 584.16 EUR | Toto zboží není možno objednat přes internet, kontaktujte naše obchodní oddělení nebo navštivte naše pobočky. |
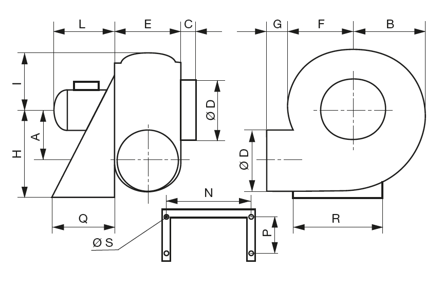
Technical parameters
| otáčky [min-1] | Ø potrubí [mm] | příkon [kW] | proud [A] | napětí [V] | max. průtok [m3/h] | akust. tlak* [dB(A)] | hmotnost [kg] | regulátor |
|---|---|---|---|---|---|---|---|---|
| 1410 | 315 | 0,55 | 5,7 | 230 | 4600 | 67 | 33 | REV 7 |
* akustický tlak ve vzdálenosti 1,5 m ve volném poli při maximální účinnosti
![]() | Skříň Spirální skříň radiálního ventilátoru v levém nebo pravém provedení je standardně vyrobena litím z PE nebo PEel (na vyžádání PP, PPel nebo PVC). Na spoje jsou použity nerezové šrouby. Teplota vzdušiny -15 ˚C až +70 ˚C, teplota okolí do +40 ˚C. | |
![]() | Oběžné kolo Oběžné kolo je radiální, vyrobené litím z PP (na vyžádání PPel nebo PVC). | |
![]() | Motor Motor je 2, 4 nebo 6 pólový jednofázový nebo třífázový (dle typu) asynchronní motor, třída izolace F, kuličková ložiska s tukovou náplní na dobu životnosti. Motor je umístěn mimo proud vzdušiny. Krytí IP55. Provedení do prostředí s nebezpečím výbuchu nebo do venkovního prostředí na dotaz. | |
![]() | Svorkovnice Svorkovnice je umístěna na motoru. | |
![]() | Regulace otáček Regulace otáček se provádí změnou napětí nebo frekvenčním měničem. Motory jsou navrženy tak, aby pokryly celé výkonové pole ventilátoru. Jsou-li požadovány jiné než jmenovité otáčky, použije se frekvenční měnič. | |
![]() | Hluk Hladina akustického tlaku ve vzdálenosti 1,5 m ve volném akustickém poli se odečte na stupnici Lp výkonového diagramu z průsečíku křivky otáček a přímky nejvyšší účinnosti. Akustický výkon v jednotlivých oktávových pásmech pro různé hodnoty otáček je uveden v tabulce pod diagramem. Hodnoty jsou měřeny s tolerancí ±3 dB. | |
![]() | Montáž Montáž se provádí na lakovanou stoličku motoru, která je součástí dodávky ventilátoru. Nerezová stolička na dotaz. | |
![]() | Příslušenství • VFVN frekvenční měnič pro třífázové motory (K 8.1) • VFTM, VFKB frekvenční měniče (K 8.1) • antivibrační sada • vypínač ON/OFF • nátrubek pro odvod kondenzátu • pružná spojka vč. spon sání/výtlak • stříška motoru • ochrana spirální skříně proti roztržení • nástěnná montážní konzola • stolička motoru NEREZ AISI304 Příslušenství vhodné ke kyselinovzdorným ventilátorům naleznete zde. | |
![]() | Pokyny Ventilátory jsou vhodné svojí konstrukcí pro dlouhé vzduchovody v různých technologických a vzduchotechnických aplikacích, v chemickém průmyslu, petrochemii a laboratořích. Nehodí se pro odsávání dřevního prachu a drtě, ani jiných hořlavých nebo výbušných směsí. Ventilátory je třeba spouštět až po připojení na potrubní trasu, aby nedošlo k přetížení motoru. | |
![]() | Upozornění Materiál skříně lze volit v uvedeném rozsahu podle potřeby konkrétního projektu a je třeba jej uvést ve specifikaci ventilátoru. | |
Akustický výkon v oktávových pásmech v [dB(A)]
| otáčky [min-1] | 63 | 125 | 250 | 500 | 1000 | 2000 | 4000 | 8000 | Lp |
|---|---|---|---|---|---|---|---|---|---|
| 750 | 66,9 | 71,9 | 66,9 | 64,9 | 63,9 | 58,9 | 50,9 | 42,9 | 52,9 |
| 950 | 72,1 | 77,1 | 72,1 | 70,1 | 69,1 | 64,1 | 56,1 | 48,1 | 58,8 |
| 1450 | 81,5 | 83,5 | 84,5 | 79,5 | 78,5 | 73,5 | 65,5 | 57,5 | 68,0 |
| 1720 | 85,3 | 87,3 | 88,3 | 83,3 | 82,3 | 77,3 | 69,3 | 61,3 | 72,0 |
| 2100 | 89,7 | 91,7 | 92,7 | 87,7 | 86,7 | 81,7 | 73,7 | 65,7 | 76,1 |
Akustický výkon a tlak ve volném akustickém poli s tolerancí ± 3 dB(A), akustický tlak měřen ve vzdálenosti 1,5 m při maximální účinnosti.
Additional pictures
konzultace a návrh | možnosti natočení skříně (ventilátory zobrazeny z pohledu na motor) |

















