TCBB/4-560 L IP65 axial fanAxiální ventilátory IP65
Catalog sheet | ![]() | Service instructions | ![]() | 2D/3D CAD | 1 501.80 EUR |
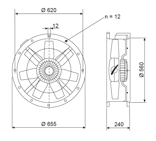
Technical parameters
| otáčky [m-1] | průtok (0 Pa) [m3/h] | výkon [W] | napětí [V] | proud [A] | max. teplota [°C] | akustický tlak* [dB(A)] | hmotnost [kg] | regulátor |
|---|---|---|---|---|---|---|---|---|
| 1405 | 11990 | 1280 | 230 | 6,0 | 70 | 68 | 33 | REB 10; REV 10 |
* akustický tlak měřen ve volném poli ve vzdálenosti rovné trojnásobku průměru oběžného kola, minimálně 1,5 m.
![]() | Skříň Skříň je z ocelového plechu, opatřeného černým lakem, montážní konzoly a šrouby jsou galvanicky pokoveny. | |
![]() | Oběžné kolo Oběžné kolo je vyrobeno z hliníkové slitiny. Oběžné kolo je staticky a dynamicky vyváženo, rozsah pracovních teplot je v rozmezí -40 až +70 °C. | |
![]() | Motor Motor je asynchronní s odporovou kotvou, stator s chladicími žebry, povrchová úprava černým lakem. Motory jsou sériově vybaveny tepelnou ochranou, vinutí je tropikalizované s izolací třídy F a pracovní teplotou -40 až +70 °C. Kuličková ložiska mají tukovou náplň na dobu životnosti. Krytí IP65. | |
![]() | Směr otáčení Směr otáčení je možno měnit u jednofázových i třífázových motorů. Se standardním oběžným kolem klesne pri opačném směru otáčení průtok o cca 30 %. Je možno objednat oběžné kolo pro opačný směr otáčení. Průtok vzdušiny je standardně od oběžného kola k motoru. | |
![]() | Svorkovnice Svorkovnice je standardně z černého plastu. U jednofázového provedení obsahuje také rozběhový kondenzátor. Svorkovnice je umístěna na skříni (potrubní provedení). | |
![]() | Regulace otáček Regulace otáček se provádí elektronickými a transformátorovými regulátory změnou napětí nebo frekvenčními měniči. | |
![]() | Hluk Hluk uvedený ve výkonových charakteristikách odpovídá hodnotám akustického tlaku ve volném poli ve vzdálenosti trojnásobku průměru oběžného kola (minimálně 1,5 m). | |
![]() | Montáž Montáž ventilátoru v každé poloze osy motoru. Skříň nesmí přenášet mechanické namáhání z potrubních rozvodů. Je nutné použít pružné připojení k potrubí. | |
![]() | Pokyny Ventilátory série COMPACT jsou ventilátory s vysokým výkonem a z hlediska zástavby do potrubní sítě s výhodnou krátkou skříní. | |
Akustický výkon Lwa (Qmax) v oktávových pásmech v dB(A)
| Hz | 63 | 125 | 250 | 500 | 1000 | 2000 | 4000 | 8000 | Lwatot |
|---|---|---|---|---|---|---|---|---|---|
| dB(A) | 52 | 64 | 71 | 77 | 78 | 77 | 72 | 64 | 83 |
Additional pictures
typový klíč pro objednávání | EASYVENT selekční program | připojení svorkovnice s kabelovou průchodkou PG11 | doporučené příslušenství |
Acessories
ACOP 560 antivibration coupling
BRIDA 560 flange
DEF 560 T protection grill
PAR 560 electric back draft louvre shutter
PER 560 plastic back draft louvre shutter
PMR 560 plastic back draft louvre shutter
PRG 560 plastic external weather louvre
REB 10 speed controller
REV 10 A speed regulator
TAA 560 sound attenuator
TAD 560 inlet ring
TRKS 560 metal back draft louvre shutter
TSK 560 backdraft shutter
TWG 560 sheet metal external weather louvre
















