TET/4-600 special axial fan 150°CSpeciální axiální ventilátory
Catalog sheet | ![]() | Service instructions | ![]() | 2D/3D CAD | 4 308.73 EUR | Toto zboží není možno objednat přes internet, kontaktujte naše obchodní oddělení nebo navštivte naše pobočky. |
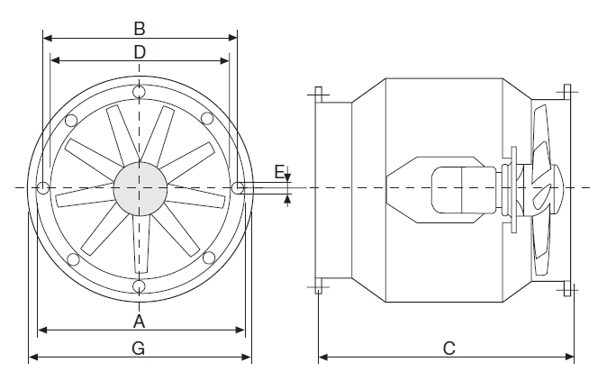
Technical parameters
| otáčky [min-1] | průtok (0 Pa) [m3/h] | příkon [W] | napětí [V] | proud [A] | max. teplota [°C] | průměr potrubí [mm] | akustický tlak* [dB(A)] | hmotnost [kg] | regulace |
|---|---|---|---|---|---|---|---|---|---|
| 1410 | 12800 | 1100 | 230/400 | 4,8/2,8 | 150 | 600 | 74 | 83 | VFVN 020-3L-4 |
* akustický tlak ve vzdálenosti 1,5 metru
![]() | Skříň Skříň je z ocelového plechu, galvanicky pokovená a je opatřena šedým epoxidovým lakem. Motor je uložen mimo proud vzdušniny v kanálu napříč skříní ventilátoru. Chlazení motoru je ventilátorem, který je jeho konstrukční součástí. | |
![]() | Oběžné kolo Oběžné kolo je odlité vcelku ze slitiny Al. Oběžné kolo je staticky a dynamicky vyváženo, má povrchovou úpravu červeným epoxidovým lakem. | |
![]() | Motor Motor je asynchronní, s kotvou nakrátko, s třídou izolace F, s kuličkovými ložisky. Motor má vlastní chladící ventilátor. Krytí IP55 (4-400 a 4-600 IP44, třída izolace B). | |
![]() | Směr otáčení Směr otáčení je dán šipkou na skříni ventilátoru. | |
![]() | Svorkovnice Svorkovnice je součástí motoru. | |
![]() | Regulace otáček Podmínky, za kterých je možno použít regulaci otáček, konzultujte s naším technickým oddělením. Ventilátor a systém pohonu má vlastní chlazení závislé na otáčkách motoru. Snížení otáček může za určitých okolností snížit odolnost ložisek a tukové náplně pohyblivých dílů ventilátoru. Regulace otáček je možná bez dalších opatření při teplotě dopravovaného vzduchu a okolí do 40°C. | |
![]() | Hluk Hluk emitovaný ventilátorem je uveden v tabulkách, měření je prováděno ve vzdálenosti 1,5 m. | |
![]() | Montáž Montáž ventilátorů doporučujeme s ohledem na životnost ložisek v horizontální poloze, s větrací šachtou svisle, aby bylo zajištěno ochlazování motoru. V případě, že je zajištěno nucené větrání šachty s motorem, je možná montáž v jiné poloze. | |
![]() | Pokyny Ventilátory jsou vhodné pro odsávání horkých plynů. Vyžádejte si informace o dodacích podmínkách a termínech dodání. | |
![]() | Upozornění Alternativně se dodávají motory s termopojistkou ve vinutí. V takovém případě je nutné použít schéma zapojení, které je v dokumentaci dodávané s ventilátorem. Termopojistka musí být vždy zapojena, jinak vzniká nárok na záruční opravu motoru. | |
Additional pictures
staticky a dynamicky vyvážené oběžné kolo | motor je uložen v kanálu napříč skříní ventilátoru mimo proud vzdušniny, chlazen je ventilátorem, který je jeho konstrukční součástí | konzultace |

















