TGT/4-560-6/-1,5 IP55 axial fanAxiální ventilátory s nastavitelnými lopatkami IP55
Catalog sheet | ![]() | Service instructions | ![]() | 2D/3D CAD | – | Toto zboží není možno objednat přes internet, kontaktujte naše obchodní oddělení nebo navštivte naše pobočky. |
Technical parameters
| otáčky [min-1] | počet listů | příkon [kW] | napětí [V] | proud [A] | průměr připojení [mm] | hmotnost krátká skříň [kg] | hmotnost dlouhá skříň [kg] |
|---|---|---|---|---|---|---|---|
| 1450 | 6 | 1,5 | 230/400 | 5,7/3,3 | 560 | 63 | 80 |
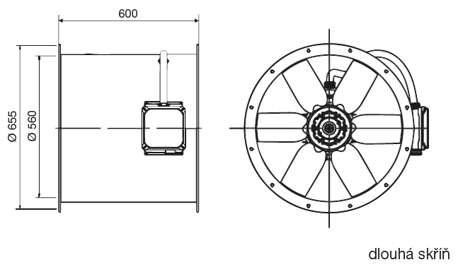
![]() | Skříň Skříň je v krátkém nebo dlouhém provedení, je svařena z ocelového plechu odolného proti korozi s žárově pozinkovaným povrchem, s přírubami do kruhového potrubí. U dlouhé verze na přání servisní dvířka. | |
![]() | Oběžné kolo Oběžné kolo je vyrobeno z Al slitiny a je staticky i dynamicky vyváženo. Nastavení úhlu listu oběžného kola je provedeno výrobcem (8º – 38º). Počet lopatek 6. | |
![]() | Motor Motor je asynchronní s kotvou nakrátko. Motory jsou s izolací třídy F a pracovní teplotou -20 až +40 °C. Krytí IP55. Třída účinnosti IE3. | |
![]() | Směr průtoku Směr průtoku je standardně od oběžného kola k motoru. | |
![]() | Svorkovnice Standardně externí svorkovnice pouze u dlouhé verze skříně. Na přání je externí svorkovnice možná i u krátké verze. | |
![]() | Regulace otáček Regulace otáček je možná u vybraných typů frekvenčním měničem – informujte se na aktuální možnosti dodávek. | |
![]() | Hluk Hluk emitovaný ventilátorem je uveden v charakteristikách ventilátoru. Odečtením korekcí (v tabulce u jednotlivých charakteristik) od hodnoty akustického výkonu LwAtot [dB(A)] uvedené ve výkonových charakteristikách ventilátoru v jednotlivých zónách se získá hodnota akustického výkonu LwA [dB(A)] ve středu oktávových pásem. | |
![]() | Montáž Montáž ventilátoru v každé poloze, přednostně s osou motoru vodorovně. Skříň nesmí přenášet mechanické namáhání z potrubních rozvodů. Je nutné použít pružné připojení k potrubí. | |
Hodnoty korekcí pro oktávová pásma
| Hz | 63 | 125 | 250 | 500 | 1000 | 2000 | 4000 | 8000 |
|---|---|---|---|---|---|---|---|---|
| zóna A | 38 | 22 | 12 | 5 | 4 | 7 | 13 | 21 |
| zóna B | 38 | 21 | 9 | 5 | 5 | 8 | 14 | 23 |
| zóna C | 31 | 19 | 12 | 6 | 5 | 6 | 11 | 19 |
Additional pictures
Acessories
ACOP 560 antivibration coupling
BRIDA 560 flange
DEF 560 D protection grill
PAR 560 electric back draft louvre shutter
PER 560 plastic back draft louvre shutter
PIE 560 support feet
PMR 560 plastic back draft louvre shutter
PRG 560 plastic external weather louvre
TAA 560 sound attenuator
TAD 560 inlet ring
TRKS 560 metal back draft louvre shutter
TSK 560 backdraft shutter
TSKM 560 backdraft shutter
TWG 560 sheet metal external weather louvre















