TH 2000/315 Ecowatt roof fanStřešní ventilátory dvouotáčkové pro odvod a přívod
Catalog sheet | ![]() | Service instructions | ![]() | 2D/3D CAD | 1 626.90 EUR |
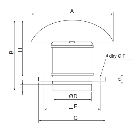
Technical parameters
| otáčky [min-1] | výkon [W] | napětí [V] | proud [A] | průtok (0 Pa) [m3/h] | akust. tlak* [dB(A)] | hmotnost [kg] | regulace |
|---|---|---|---|---|---|---|---|
| 2460 | 230 | 230 | 1,0 | 1530 | 60/65 | 17,2 | REB-Ecowatt |
* sání/výtlak. Akustický tlak je měřen ve vzdálenosti 4 m v bodech 2, 5, 8 a 11 na výkonové křivce.
![]() | Skříň Skříně ventilátorů TH 500 až TH 800 jsou vyrobeny z plastu, podstavec a stříška z ocelového plechu opatřeného černým epoxidovým lakem. Modely TH 1300 a TH 2000 jsou vyrobeny z ocelového galvanizovaného plechu, stříška z hliníku, obojí opatřeno černým epoxidovým lakem. | |
![]() | Oběžné kolo Diagonální oběžná kola jsou vyrobena z plastu s výjimkou typů TH 1300 a TH 2000, které mají obežná kola z ocelového plechu. | |
![]() | Motor EC motor s tepelnou ochranou proti přetížení. Ložiska kuličková. Krytí IP44, třída izolace B. Pracovní teplota –20 °C až +60 °C. | |
![]() | Směr průtoku Průtok vzdušiny je možno změnit otočením ventilátorového dílu s motorem a oběžným kolem po povolení a sejmutí stahovacích objímek. | |
![]() | Svorkovnice Svorkovnice je umístěna na skříni ventilátoru, obsahuje rozběhový kondenzátor. | |
![]() | Regulace otáček Regulace otáček se provádí pomocí potenciometru umístěného ve svorkovnici nebo externím ovládáním REB-Ecowatt. Dále analogovým vstupem 0–10 V od čidla teploty, vlhkosti nebo CO2. | |
![]() | Montáž Střešní ventilátory TH Ecowatt se montují montážní základnou na vodorovné střešní konstrukce nebo stavebně připravené zděné sokly. Dále je možno použít sokly JMS a JBS. | |
![]() | Pokyny Ventilátor je univerzální pro odvod i přívod. Standardně se dodává jako odvodní, změna použití je pouze otočením ventilátorové jednotky po uvolnění montážních spon a vložením (vyjmutím) usměrňovací vložky. | |
Additional pictures
kruhové připojovací hrdlo | komponenty ventilátoru | doporučené příslušenství | podrobné technické parametry | |||
podrobné akustické parametry |
Acessories
CONTROL Ecowatt Basic controller for Ecowatt fans
DOS 450 Metal G roof stand with inner insulation
DT 8-R programmable timer
DTS PSA 30/300 air pressure sensors 30-300 Pa
EAK electrical exhaust valve
HIG 10 humidistat 24 V
JAA 560 sound attenuator
JAE 560 flexible coupling
JBR 560 loose mounting flanges
JBS 560 20° stand for sloping roofs
JBS 560 30° stand for sloping roofs
JBS 560 40° stand for sloping roofs
JCA 560 backdraft shutter
JPA 560 adapter
KAA 315 antivibration coupling
MAA 315/600 sound attenuator
MCA 2000/315 backdraft shutter
MRJ 2000/315 protection grill
REB Ecowatt speed controller
RSK 315 backdraft shutter
RTR 6721 area thermostat
SQA 10 air quality sensor 24 V
VBM 315 flexible flange connector















