THGT/4-900-3/-2,2 IP55 axial smoke extract fanPožární axiální ventilátory potrubní
Catalog sheet | ![]() | Service instructions | ![]() | 2D/3D CAD | – | Toto zboží není možno objednat přes internet, kontaktujte naše obchodní oddělení nebo navštivte naše pobočky. |
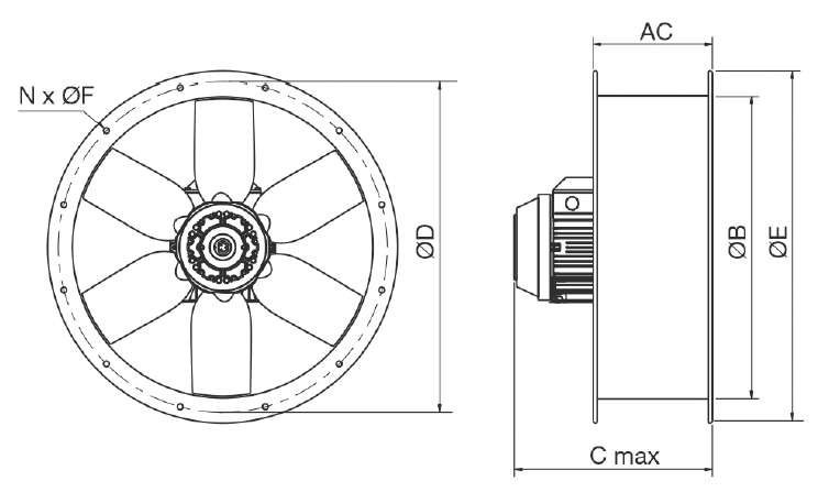
Technical parameters
| otáčky [min-1] | příkon [kW] | napětí [V] | proud* [A] | hmotnost** [kg] |
|---|---|---|---|---|
| 1450 | 2,2 | 230/400 | 8,1/4,6 | 106/124 |
* hodnoty proudů u motorů 230/400 V jsou dle zapojení (3x230 V/3x400 V), u dvourychlostních ventilátorů představují vyšší/nižší otáčky; ** hmotnost krátké / dlouhé skříně
![]() | Skříň Skříň je svařena z ocelového plechu, s přírubami do kruhového potrubí. Provozní teplota 40 °C, v systému odvodu tepla a kouře (OTK) F400 (120) (na objednávku také F300 (120) a F200 (120). Skříň je galvanicky pokovena. | |
![]() | Oběžné kolo Oběžné kolo je vyrobeno z Al slitiny a je staticky i dynamicky vyváženo. Nastavení úhlu listu oběžného kola je provedeno výrobcem, možné úhly natočení jsou uvedeny ve výkonových charakteristikách. | |
![]() | Motor Motor je asynchronní s kotvou nakrátko. Napájecí napětí 230/400 V / 50 Hz do výkonu 3 kW a 400 V / 50 Hz pro vyšší výkony a dvouotáčkové motory. Krytí motoru IP55, třída izolace H. Třída účinnosti IE3. | |
![]() | Směr průtoku Směr průtoku je od oběžného kola k motoru (tzn. směr B, od motoru k oběžnému kolu je směr A). | |
![]() | Svorkovnice Svorkovnice standardně u krátké skříně interní, u dlouhé skříně externí. Na objednávku externí svorkovnice pro krátkou skříň a servisní dvířka pro dlouhou skříň. | |
![]() | Regulace otáček Regulace v režimu OTK není možná. V režimu provozního větrání je regulace možná frekvenčním měničem. Respektujte údaje na štítku elektromotoru. | |
![]() | Hluk Hluk emitovaný ventilátorem je uveden v charakteristikách ventilátoru. Odečtením korekcí (v tabulce u jednotlivých charakteristik) od hodnoty akustického výkonu LwAtot [dB(A)] uvedené ve výkonových charakteristikách ventilátoru v jednotlivých zónách se získá hodnota akustického výkonu LwA [dB(A)] ve středu oktávových pásem. | |
![]() | Pokyny Ventilátory jsou vhodné pro vzduchotechnické aplikace a s výhodou se uplatní tam, kde požadujeme od ventilátorů vysoký průtok a zároveň je požadavek funkce ventilátoru pro odvod tepla a kouře (OTK). | |
![]() | Upozornění Při montáži a projektování je nutno dodržet veškerá doporučení výrobce, která jsou z hlediska výkonových parametrů shodná s axiálními ventilátory TGT. | |
Korekce K(f) pro oktávová pásma (f), Hz
| Hz | 63 | 125 | 250 | 500 | 1000 | 2000 | 4000 | 8000 |
|---|---|---|---|---|---|---|---|---|
| A | 22 | 19 | 13 | 6 | 4 | 6 | 11 | 18 |
| B | 20 | 19 | 11 | 5 | 5 | 7 | 13 | 20 |
| C | 18 | 17 | 12 | 6 | 5 | 6 | 12 | 20 |
Additional pictures
















